This series of products is suitable for power systems with AC 50~60Hz, rated voltage of main circuit 24kV, and rated currents of 160A, 250A, 400A, and 630A respectively, for direct or long-distance connection and disconnection of the main circuit. It adopts the international mainstream epoxy overall casting semi-cylindrical insulating frame structure, which fully meets the international insulation requirements. The product is used at an altitude of no more than 1000 meters.
1. Product Introduction This series of products is suitable for power systems with AC 50~60Hz, rated voltage of main circuit 24kV, and rated currents of 160A, 250A, 400A, and 630A respectively, for direct or long-distance connection and disconnection of the main circuit. It adopts the international mainstream epoxy overall casting semi-cylindrical insulating frame structure, which fully meets the international insulation requirements. The product is used at an altitude of no more than 1000 meters. | |
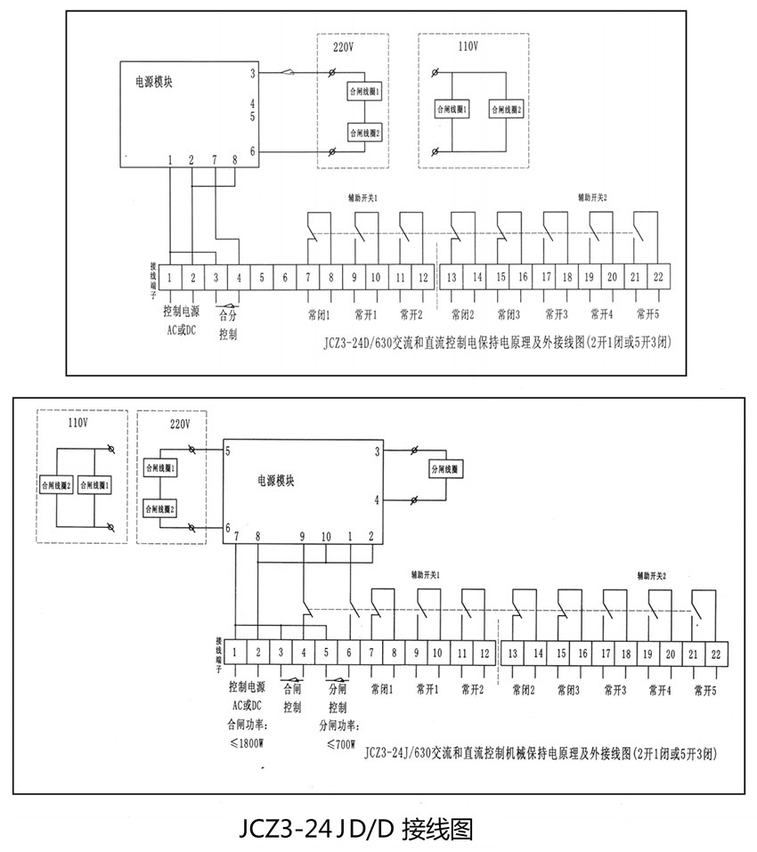
2. Main technical parameters hostelectricityroadRated working electric calendar (Ue)kV24Rated operating current (Ie)A160250400630Rated closing capacity (Im)kA1.62.546.3Rated breaking capacity (Ie)kA1.2823.25.04Rated withstand overload current and timekA/s2.4/13.75/16/19.45/1Rated short-time withstand current (Ik)kV1.62.546.3Rated peak withstand current (Ip)kV46.251016Rated short circuit duration (tk)s4Power frequency withstand voltageAlternately, relativelykV65vacuum fracturekV65Lightning impulse withstand voltagekV125Control circuitRated voltage1 ( Us)INAC or DC. 110/220/380Rated power (Ps)electric holdAND≤2000/30 (pull/hold)mechanical hold≤2000/700 (closing/opening)auxiliary circuitformThree open three closedPower frequency withstand voltage of control circuit and auxiliary circuit to groundkV2Rated operating frequencylong-term or mechanically maintainedtimes/h300short termtimes/h60Mechanical Life 2Ten thousand times100Electrical lifeTen thousand times25 (AC-3)、6 (AC-4)mechanicalcharacteristicClosing timems≤200Intrinsic opening timems≤50Three phases out of phasems≤3Closing bouncems≤6Note: 1. The rated control voltage can also be customized according to user needs. 2. For the mechanical holding type, the locking device needs to be replaced every 100,000 times. | |


