As a special motor manufacturer for oil pump, the company mainly produces planetary reduction motors, permanent magnet brushless DC motors and other products. At the same time, as a DC brushless motor manufacturer, the product specifications and models are complete. The quality is guaranteed. According to the specific needs of customers, the goods can be delivered on time and in quantity.
Specification



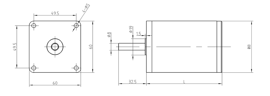
Diagram

Production
