Confirm compliance with the following criteria:
GB/T3836.1-2021 GB/T3836.2-2021
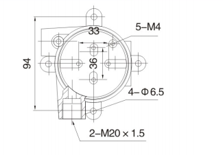
1, shell protection grade :IP6.
2, the use of ambient temperature :-20℃≤Ta≤+60℃; Working environment temperature :-20℃≤Ta≤+80℃
3, this product cannot be used alone, when used with electrical equipment or systems, additional certification of explosive environment electrical equipment parts or components.
4. All threaded holes on the surface of the product must be used with Ex components that have obtained corresponding explosion-proof certificates.
