contact box

If you want to know more about the application and parameters of the product, please feel free to contact us. We are willing to serve you sincerely.

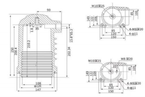
Specification

image.png

Production

electrical insulator
Go detail
contact box
Go detail
contact box
Go detail
Plum contact
Go detail
© 2022 Company, Inc. All rights reserved.
WhatsApp