YEZ series tapered rotor braking asynchronous motors are special series motors designed by our factory for supporting construction machinery. The installation dimensions of this series of motors are completely consistent with the vertical installation dimensions of Y series equal power motors, so they are suitable for various mechanical equipment requiring braking.
Due to its large starting torque, simple structure, safe and reliable braking, safe and reliable braking, no need for additional power supply for braking, small size, and convenient maintenance, tapered rotor brake motors have expanded their common application in electric hoists to textile machinery, printing machinery, blenders, and windlasses.
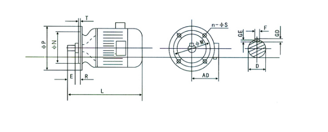
Specification


