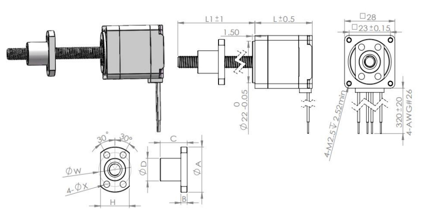
Attention: When installing the motor, be sure to use the flange of the motor front end to install the spigot for positioning, and strictly ensure the concentricity of the motor output shaft and the load.
Do not allow the surface temperature of the motor to exceed 85° during operation.
Motor Specification
Model | Rated Voltage(V) | Phase Current(A) | Phase Resistance(Ω) | Phase Inductance(mH) | Length(mm) |
| 28-4505 | 2.5 | 0.5 | 9.1±10% | 6.0±20% | 33.5 |
| 28-2210 | 2.2 | 1.0 | 2.1±10% | 1.5±20% | 33.5 |
| 28-3909 | 3.9 | 0.95 | 4.1±10% | 4.0±20% | 45 |
| 28-2416 | 2.4 | 1.6 | 1.5±10% | 1.3±20% | 45 |

Ball Screw Specification
| Model | 0601 | 0602 | 0606 | 0610 | 0504 |
Steel Ball Diameter | Φ0.8 | Φ1.2 | Φ0.8 | ||
Number Of Threads | 1 | 2 | 1 | ||
Thread Direction | right-handed | ||||
| Screw Shaft Bottom Diameter | Φ3.3 | Φ5.2 | Φ5.0 | Φ4.3 | |
| Number Of Cycles | 3.7x1 | 2.7x1 | 1.6x2 | 1.2x2 | 2.7x1 |
Shaft, Nut Material | SCM415H | ||||
Surface Hardness | HRC58~62 | ||||
Anti-Rust Treatmen | anti-rust oil | ||||
| Nut Size | A | B | C | D | H | W | X | Precision | Positioning Accuracy | Full Beat | Axial Clearance | Rated Load (N) |
| 0601 | 26 | 4 | 17 | 13 | 16 | 20 | 3.4 | C7 | ±0.05 | 0.12 | 0.03 | 680-1200 |
| 0602 | 28 | 15 | 19 | 22 | 750-1450 | |||||||
| 0606 | 27 | 14 | 16 | 21 | 870-1600 | |||||||
| 0610 | 23 | 950-1650 | ||||||||||
| 0504 | 24 | 22 | 12 | 18 | 470-720 |

Speed Thrust Curve
