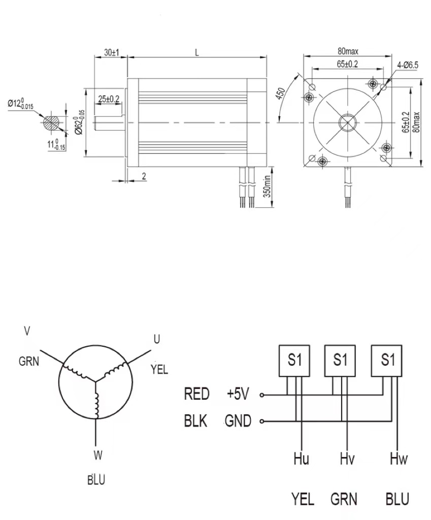
Winding Type -------- Delta
Hall Effect angle -------- 120 º
Insulation Class -------- Class B insulation
Ambient temperature range -- - 20 ℃~+50 ℃
Insulation Resistance -------- 100M Ω Min.500VC DC
Dielectric Strength ---- 700V AC 1minute
Specification
| Model | 80BLF86-430 | 80BLF106-430 | 80BLF126-430 | 80BLF126-450 | 80BLF126-630 |
| Number of Poles | 4 | ||||
| Number of Phases | 3 | ||||
| Rated Voltage VDC | 48 | 48 | 48 | 48 | 310 |
| Rated Speed RPM | 3000 | 3000 | 3000 | 5000 | 3000 |
| Rated Torque N-m | 0.4 | 0.7 | 1.2 | 1.2 | 1.2 |
| Rated Current Amps | 5 | 7 | 12 | 12 | 2.1 |
| Output Power W | 126 | 220 | 376 | 628 | 376 |
| Peak Torque N-m | 1.2 | 2.1 | 3 | 3 | 4.5 |
| Peak Current Amps | 15 | 21 | 36 | 36 | 6.3 |
| Torque constant N-m/A | 0.11 | 0.11 | 0.11 | 0.11 | 0.72 |
| Back EMF V/kRPM | 4.52 | 4.52 | 4.52 | 4.52 | 55 |
| Rotor inertia Kg·cm2 | 530 | 650 | 650 | 650 | 0.6 |
| Body Length (L) mm | 106 | 126 | 126 | 126 | 126 |
| Mass kg | 2.5 | 3 | 3 | 3 | 3 |

Diagram
