Winding Type -------- Delta
Hall Effect angle -------- 120 º
Insulation Class -------- Class B insulation
Ambient temperature range -- - 20 ℃~+50 ℃
Insulation Resistance -------- 100M Ω Min.500VC DC
Dielectric Strength ---- 700V AC 1minute
Specification
| Model | 86BLF80-430 | 86BLF105-430 | 86BLF115-430 | 86BLF130-430 | 86BLF130-630 |
| Number of Poles | 4 | ||||
| Number of Phases | 3 | ||||
| Rated Voltage VDC | 48 | 48 | 48 | 48 | 310 |
| Rated Speed RPM | 3000 | 3000 | 3000 | 3000 | 3000 |
| Rated Torque N-m | 1 | 1.8 | 2.1 | 2.5 | 2.5 |
| Rated Current Amps | 8.5 | 14.8 | 17 | 19.5 | 4 |
| Output Power W | 314 | 565 | 659 | 785 | 785 |
| Peak Torque N-m | 3 | 5.4 | 6.3 | 7.5 | 7.5 |
| Peak Current Amps | 25 | 42 | 51 | 55 | 12 |
| Torque constant N-m/A | 0.131 | 0.131 | 0.127 | 0.127 | 0.127 |
| Back EMF V/kRPM | 13.7 | 13.7 | 13.3 | 13.3 | 13.3 |
| Rotor inertia Kg·cm2 | 120 | 230 | 266 | 320 | 320 |
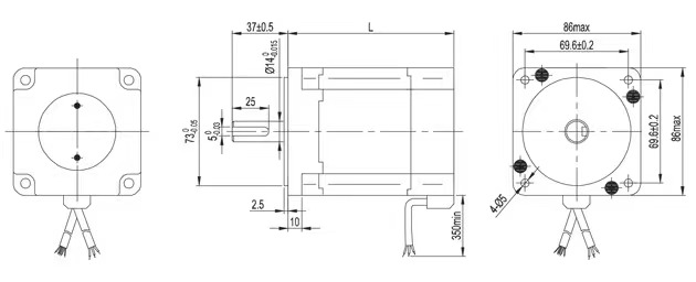
| Body Length (L) mm | 80 | 105 | 115 | 130 | 130 |
| Mass kg | 2.3 | 3.4 | 3.8 | 4.3 | 4.3 |

Diagram
