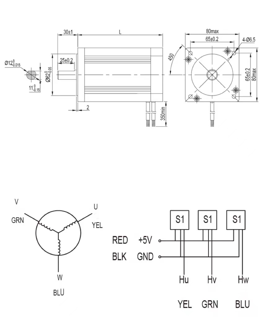
Winding Type--Star
Hall Effect angle--120°
Insulation Class--Class B insulation
Ambient Temperature Range-- -20°C~+50C
Insulation Resistance--100MQMin 500VC DC
Dielectric Strength--700V AC 1 minute
Specification
| Model | 80BLF86-430 | 80BLF106-430 | 80BLF126-430 | 80BLF126-450 | 80BLF126-630 |
| Number of Poles | 4 | ||||
| Number of Phases | 3 | ||||
| Rated Voltage VDC | 48 | 48 | 48 | 48 | 310 |
| Rated Speed RPM | 3000 | 3000 | 3000 | 5000 | 3000 |
| Rated Torque N-m | 0.4 | 0.7 | 1.2 | 1.2 | 1.2 |
| Rated Current Amps | 5 | 7 | 12 | 12 | 2.1 |
| Output Power Watts | 126 | 220 | 376 | 628 | 376 |
| Peak Torque N-m | 1.2 | 2.1 | 3 | 3 | 4.5 |
| Peak Current Amps | 15 | 21 | 36 | 36 | 6.3 |
| Torque constant N-m/A | 0.11 | 0.11 | 0.11 | 0.11 | 0.72 |
| Back EMF V/kRPM | 4.52 | 4.52 | 4.52 | 4.52 | 55 |
| Rotor inertia Kg·cm2 | 390 | 530 | 650 | 650 | 0.6 |
| Body Length (L) mm | 86 | 106 | 126 | 126 | 126 |
| Mass kg | 2 | 2.5 | 3 | 3 | 3 |

Diagram
