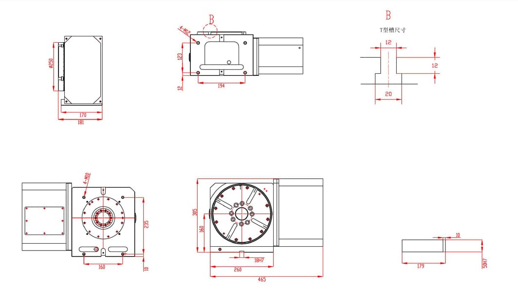
Specification
| Item/Model | Working disc size(mm) | Center height(mm) | Center aperture/reference aperture(mm) | Dimensions of T-shaped slot on disk surface | Datum positioning key | ||
| (mm) | |||||||
| YCB250-H160 | 250 | 160 | 50H7 | 12H7 | 18H7 | ||
| Use motor | Reduction ratio | Motor return speed | 90 ° indexing time | Minimum setting unit | Allowable cutting torque | ||
| FANUC | MITSUBI SHI | 2000rmp(rpm/min) | (sec) | (deg) | (kg*m) | ||
| B8 | HF104 | 0.083333333 | 33.3 | 0. 2 | 5° /0.001° | 45 | |
| Pneumatic brake torque | Hydraulic brake torque | Toothed disc brake torque | Segmentation accuracy | Repetition precision | Allowable bearing capacity | ||
| (kg*m) | (kg*m) | (kg*m) | (sec) | (sec) | (kg) | ||
| vertical | level | ||||||
| 40 | 142 | 500 | ±15 | 5 | 120 | 220 | |


Production
