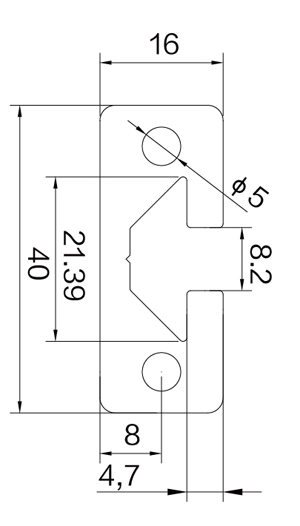
HS-1640-8 is often used for making guide rails, chutes and door frames.
Specification
| Profile | 16x40 |
| Material | aluminum/Aluminum (6063-T5) |
| Unit weight | 1.35m/kg |
| Length | 6.01m |
| Collective inertia/Mass oflertia | lx:191.25cm4 ly:191.25cm4 |
| Section inertia | Zx: 42.50cm³ Zy: 42.50cm³ |

Production

Diagram
