Japanese precision hobbing machine superhard processing;
Good running precision and good stability;
High efficiency, high input speed, high output torque;
Quiet, lightweight/small;
High rigidity, high precision, long life;
Freedom to install;
Input/output shaft integrated structure;
It can be applied to printing machines, laser cutting machines, CNC machine tools, lithium batteries, spring machinery, packaging machines, warp knitting machines, injection molding machines and other products.
Specification
| Reduction Ratio(i) | 3 | 4 | 5 | 6 | 7 | 8 | 9 | 10 |
| Rated Output Torque T2n (Nm) | 588 | 1050 | 1200 | 1100 | 1100 | 1000 | 900 | 900 |
| Emergency Stop Torque (Nm) | triple rated output torque | |||||||
| Rated Input Speed (rpm) | 3000 | |||||||
| Maximum Input Speed (rpm) | 6000 | |||||||
| Ultra-Precision Backlash P0 (arcmin) | ≤1 | |||||||
| Precision Backlash P1 (arcmin) | ≤3 | |||||||
| Precision Backlash P2 (arcmin) | ≤5 | |||||||
| Torsional Rigidity (Nm / arcmin) | 145 | |||||||
| Allowable Radial Force (N) | 14500 | |||||||
| Allowable Axial Force (N) | 7250 | |||||||
| Service Life (hr) | 20,000 (10,000 for continuous operation) | |||||||
| Efficiency(%) | ≥97% | |||||||
| Weight (kg) | 29 | |||||||
| Operating Temperature (℃) | -10℃-+90℃ | |||||||
| Lubricating | synthetic lubricants | |||||||
| Degree Of Protection | IP64 | |||||||
| Installation Direction | any direction | |||||||
| Noise Value (db(A)) | ≤67 | |||||||
| Moment Of Inertia (kg·cm²) | 28.98 | 23.67 | 23.29 | 22.75 | 22.48 | 22.59 | 22.53 | 22.51 |

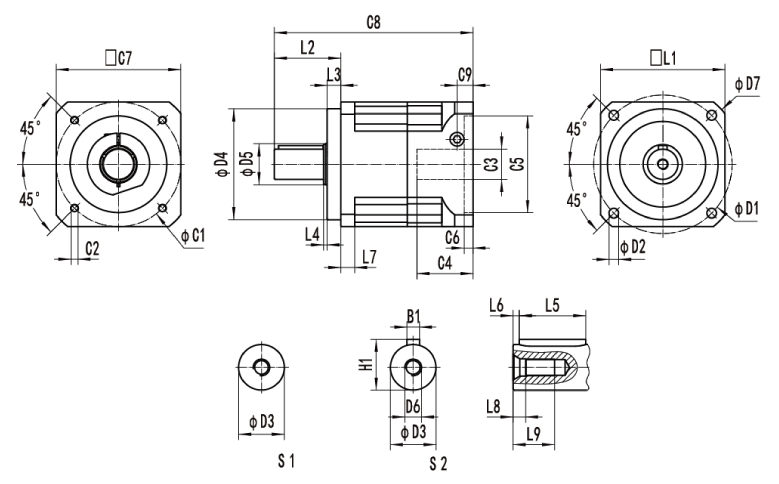
Diagram

| Item | D1 | D2 | D3 | D4 | D5 | D6 | D7 | L1 | L2 | L3 | L4 | L5 | L6 | L7 |
| S1 | 215 | 13 | 55 | 160 | 70 | M20x2.5P | 240 | 180 | 105 | 20 | 3.5 | 68 | 6 | 15 |
| S2 | 215 | 13 | 55 | 160 | 70 | M20x2.5P | 240 | 180 | 105 | 20 | 3.5 | 68 | 6 | 15 |
| Item | L8 | L9 | C1 | C2 | C3 | C4 | C5 | C6 | C7 | C8 | C9 | B1 | H1 | |
| S1 | 15 | 42 | 200 | M12x1.75P | ≤35 | 82 | 114.3 | 10 | 180 | 285 | 26 | 16 | 59 | |
| S2 | 15 | 42 | 235 | M12x1.75P | ≤48 | 115 | 200 | 10 | 220 | 315.5 | 52 | 16 | 59 |
Production
