Japanese precision hobbing machine superhard processing;
Good running precision and good stability;
High efficiency, high input speed, high output torque;
Quiet, lightweight/small;
High rigidity, high precision, long life;
Freedom to install;
Input/output shaft integrated structure;
It can be applied to printing machines, laser cutting machines, CNC machine tools, lithium batteries, spring machinery, packaging machines, warp knitting machines, injection molding machines and other products.
Specification
| Reduction Ratio(i) | 3 | 4 | 5 | 6 | 7 | 8 | 9 | 10 | 14 | 20 |
| Rated Output Torque T2n (Nm) | 195 | 260 | 325 | 310 | 300 | 260 | 230 | 325 | 300 | 230 |
| Emergency Stop Torque (Nm) | triple rated output torque | |||||||||
| Rated Input Speed (rpm) | 4000 | |||||||||
| Maximum Input Speed (rpm) | 8000 | |||||||||
| Ultra-precision Backlash P0 (arcmin) | ≤10 | |||||||||
| Torsional Rigidity (Nm / arcmin) | 25 | |||||||||
| Allowable Radial Force (N) | 6100 | |||||||||
| Allowable Axial Force (N) | 3350 | |||||||||
| Service Life (hr) | 20,000 (10,000 for continuous operation) | |||||||||
| Efficiency(%) | ≥95% | |||||||||
| Weight (kg) | 11.2 | |||||||||
| Operating Temperature (℃) | -10℃-+90℃ | |||||||||
| Lubricating | synthetic lubricants | |||||||||
| Degree Of Protection | IP64 | |||||||||
| Installation Direction | any direction | |||||||||
| Noise Value (db(A)) | ≤68 | |||||||||
| Moment Of Inertia (kg·cm²) | 6.84 | 6.25 | ||||||||

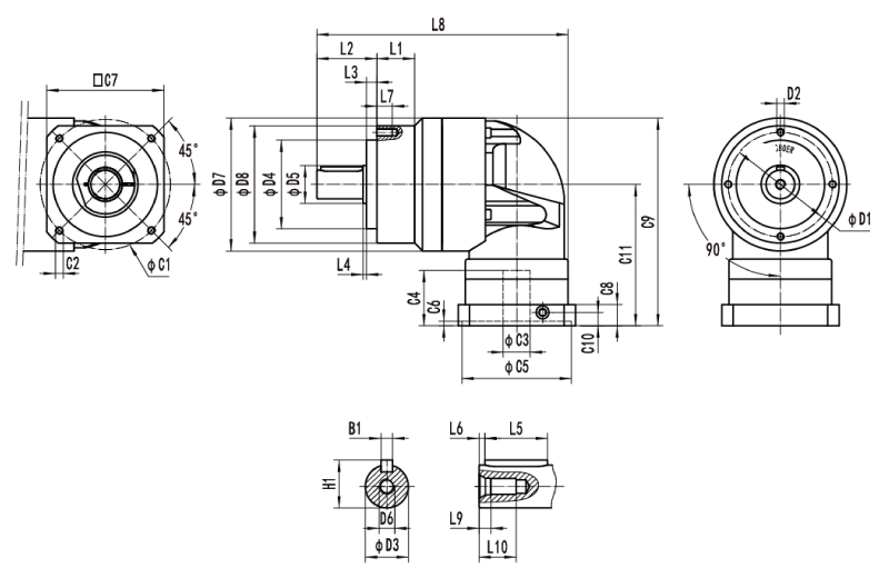
Diagram

| D1 | D2 | D3 | D4 | D5 | D6 | D7 | D8 | B1 | H1 | L1 | L2 | L3 | L4 | L5 | L6 |
| 108 | M8x1.25P | 32 | 90 | 40 | M12x1.75P | 130 | 120 | 10 | 35 | 38 | 70 | 17.5 | 1.5 | 40 | 5 |
| L7 | L8 | L9 | L10 | C1 | C2 | C3 | C4 | C5 | C6 | C7 | C8 | C9 | C10 | C11 | |
| 16 | 252 | 10 | 28 | 130 | M8x1.25P | ≤32 | 50 | 110 | 5 | 115 | 19.5 | 199 | 13 | 134 |
Production
