Japanese precision hobbing machine superhard processing;
Good running precision and good stability;
High efficiency, high input speed, high output torque;
Quiet, lightweight/small;
High rigidity, high precision, long life;
Freedom to install;
Input/output shaft integrated structure;
It can be applied to printing machines, laser cutting machines, CNC machine tools, lithium batteries, spring machinery, packaging machines, warp knitting machines, injection molding machines and other products.
Specification
| Reduction Ratio(i) | 20 | 25 | 35 | 40 | 50 | 70 | 100 |
| Rated Output Torque T2n (Nm) | 1100 | 1200 | 1100 | 1100 | 1200 | 1100 | 900 |
| Emergency Stop Torque (Nm) | triple rated output torque | ||||||
| Rated Input Speed (rpm) | 3000 | ||||||
| Maximum Input Speed (rpm) | 6000 | ||||||
| Ultra-Precision Backlash P0 (arcmin) | ≤3 | ||||||
| Precision Backlash P1 (arcmin) | ≤5 | ||||||
| Precision Backlash P2 (arcmin) | ≤7 | ||||||
| Torsional Rigidity (Nm / arcmin) | 440 | ||||||
| Max Bending Moment M2 (N) | 3064 | ||||||
| Allowable Axial Force (N) | 16660 | ||||||
| Service Life (hr) | 30,000 (15,000 for continuous operation) | ||||||
| Efficiency(%) | ≥94% | ||||||
| Weight (kg) | 36.9 | ||||||
| Operating Temperature (℃) | -10℃-+90℃ | ||||||
| Lubricating | synthetic lubricants | ||||||
| Degree Of Protection | IP64 | ||||||
| Installation Direction | any direction | ||||||
| Noise Value (db(A)) | ≤67 | ||||||
| Moment Of Inertia (kg·cm²) | 7.42 | 7.03 | |||||

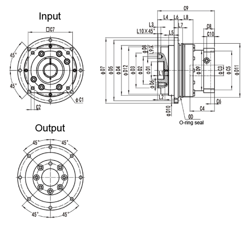
Diagram

| D1 | D2 | D3 | D4 | D5 | D6 | D7 | D8 | D9 | D10 | D11 |
| 80 | 125 | 160 | 200 | 233 | 11-M10x1.5P | 247 | 10 | 125 | 12x9 | 212 |
| D12 | L1 | L2 | L3 | L4 | L5 | L6 | L7 | L8 | L9 | L10 |
| 199.2 | 16 | 22.5 | 8 | 50 | 15 | 12 | 15 | 132.5 | 10 | 1 |
| C1 | C2 | C3 | C4 | C5 | C6 | C7 | C8 | C9 | C10 | OD |
| 165 | M10x1.5P | ≤35 | 60 | 130 | 6 | 142 | 22.5 | 248 | 15 | 200x5 |
Production
