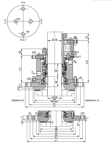
Technical parameters:
Sealing chamber temperature: -40 ℃+200 ℃
Linear speed: ≤ 5m/s
Sealing chamber pressure: ≤ 16bar
Shaft diameter size: 40-160mm
Material combination:
Sealing surface: graphite, reactive silicon carbide, pressureless silicon carbide, tungsten carbide
Auxiliary sealing: nitrile rubber, fluorine rubber, ethylene propylene rubber, perfluorocarbon rubber
Spring and metal parts: 304316, Hastelloy alloy
Specification


