Widely used in various industrial sites and industrial automation fields with harsh environments.
Multi stage dynamic digital filtering, meeting the requirements of high-speed dynamic weighing.
Support weight free calibration.
Independent RS232 and 485 serial communication interfaces.
Support multiple analog output modes configurable.
400Hz / 200Hz / 100Hz sampling rate optional.
One sensor interface, supporting up to four 350 ohm sensors.
Specification
| Working Power Supply | DC24v(18-36V) |
| AD Type | 24 bit AD conversion (with analog and digital filtering) |
| Zero Drift | <0.02uV/℃ |
| Internal Resolution | 1 / 16000000 |
| Input Range | -10~30mV |
| Excitation Voltage | 5V |
| Communication Interface | COM1RS232, COM2RS485 |
| Weight Display | 6-bit LED display |
| Key Functions | 4 function keys |
| Operating Temperature | -10~50℃ |
| Power | Less than 6w |
| Sample Rate | Maximum 400 times / second |
| Nonlinear | 0.002%FS |
| Display index | 100,000 |
| Zero Range | -10~30mV |
| Driving Capacity | Up to four 350Q sensors can be driven |
| Analog Output | 4~20mA、0~5V、0~10V |
| Indicator light | Zero position, dynamic, gross and net weight, communication, zero tracking |
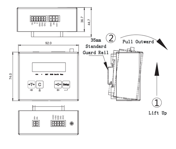
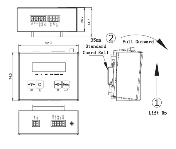
| Installation Method | Guide rail installation |
| Relative Humidity | 10~90%, non condensing |

Diagram


Qualification
