With deflection adjustment and deflection prevention structure, it can ensure the normal and stable operation of conveying.
The ICS-17B series electronic belt scale with simple installation and accurate measurement can ensure the accuracy and long-term stability of measurement.
The weighing display instrument has an optional RS232/RS485/Profibus-DP/Ether-net communication interface.
You can query and print the shift/day/month output within one year.
Frequency conversion stepless speed regulation runs smoothly, not only saves energy and reduces consumption, but also meets the requirements of on-site open-loop or closed-loop adjustment of different flow rates.
The perfect alarm system can detect and eliminate faults such as material breakage, overload and belt deviation in time.
It can be interlocked with the remote control DCS system to realize intelligent control.
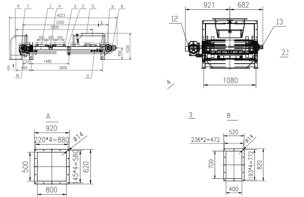
Structure
1. Body bracket
2. Skirt core tape
3. Upper parallel roller
4. Scale
5. Feed funnel
6. Driven roller
7. Active roller
8. Tensioning device
9. Head guard
10. Head cleaning device
11. Internal cleaning device
12. Motor, reducer
13. Speed measuring device

Digram

Qualification
